Обзор
Мультимедийный фильтр, также известный как мультимедиа-фильтр, является важным компонентом системы предварительной обработки и очистки воды оборудования для очистки воды. Текущий материал - нержавеющая сталь 304 или 316L, которую можно разделить на фильтр из природного кварцевого песка, фильтр с активированным углем, мультимедийный фильтр, фильтр из марганцевого песка и т. д. в зависимости от различных фильтрующих материалов. Его можно разделить на однопоточный фильтр и двухпоточный фильтр в зависимости от способа подачи воды, и его можно использовать в комбинации или отдельно в зависимости от реальной ситуации.
Область применения
Мультимедийные фильтры широко используются в процессах очистки воды, в основном для удаления накипи, обратного осмоса и предварительной обработки ионообменных умягчающих систем опреснения. Их также можно использовать для удаления отложений из поверхностных и подземных вод. Требование к мутности на входе составляет менее 20 градусов, а мутность на выходе может достигать менее 3 градусов.
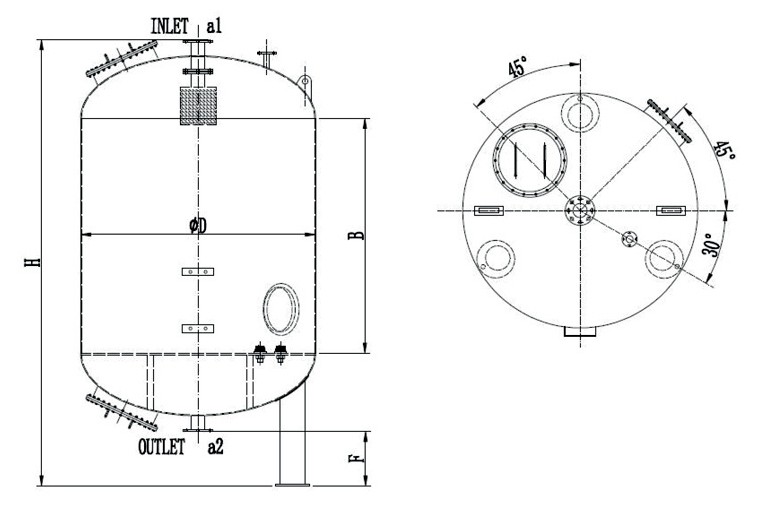
| Модель | Б (мм) | Хм ) | Д (мм) | Ф (мм) | Вход/Выход а1/а2 | Выхлоп вентиляционное отверстие |
| КИ-JX-300*1200 | 1200 | 1800 | ∅300 | 300 | Ду32 | Ду20 |
| КИ-JX-400*1500 | 1500 | 2150 | ∅400 | 300 | Ду40 | Ду20 |
| КИ-JX-500*1500 | 1500 | 2230 | ∅500 | 300 | Ду40 | Ду25 |
| КИ-JX-600*1500 | 1500 | 2290 | ∅600 | 300 | Ду50 | Ду25 |
| КИ-JX-700*1500 | 1500 | 2340 | ∅700 | 300 | Ду50 | Ду25 |
| КИ-JX-800*1500 | 1500 | 2390 | ∅800 | 300 | Ду50 | Ду25 |
| КИ-JX-900*1500 | 1500 | 2600 | ∅900 | 300 | Ду65 | Ду25 |
| КИ-JX-1000*1500 | 1500 | 2750 | ∅1000 | 400 | Ду65 | Ду25 |
| КИ-JX-1100*1500 | 1500 | 2800 | ∅1100 | 400 | Ду65 | Ду25 |
| КИ-JX-1200*1500 | 1500 | 2850 | ∅1200 | 400 | Ду65 | Ду25 |
| КИ-JX-1400*1500 | 1500 | 2950 | ∅1400 | 400 | Ду80 | Ду25 |
| КИ-JX-1500*1800 | 1800 | 3360 | ∅1500 | 400 | Ду80 | Ду25 |
| КИ-JX-1600*1800 | 1800 | 3500 | ∅1000 | 400 | Ду80 | Ду25 |
| КИ-JX-1800*1800 | 1800 | 3610 | ∅1100 | 400 | Ду80 | Ду25 |
| КИ-JX-2000*1800 | 1800 | 3710 | ∅1200 | 400 | Ду100 | Ду32 |
| КИ-JX-2200*1800 | 1800 | 3810 | ∅1400 | 400 | Ду100 | Ду32 |
| КИ-JX-2500*2000 | 2000 | 3860 | ∅1500 | 400 | Ду100 | Ду32 |
Мы рады сообщить о важном событии! На прошлой неделе мы имели большое удовольствие принять делегацию из Турции для комплексной проверки наших предприятий в Ханчжоу. Команда изучила наши производственные линии, системы контроля качества и возможности исследований и разработок. Мы продемонстрировали не только наше оборудование, но и нашу приверженность совершенству, прозрачности и партнерству. Результат? Немедленное доверие и заказ на месте! Эта подпись во время визита — это больше, чем просто контракт — это мощное свидетельство качества, профессионализма и доверия, которое мы строим с каждым клиентом. Для нас большая честь, что вы демонстрируете такое доверие, и мы рады вместе отправиться в это новое путешествие. За крепкое и успешное партнерство!
Hangzhou Keyuan Water Treatment Equipment Co., Ltd. Это комплексное предприятие, специализирующееся на исследованиях и разработках, производстве, продаже и послепродажном обслуживании оборудования для очистки воды. Наша компания в основном производит механические фильтры (фильтры с кварцевым песком, фильтры с активированным углем, мультифильтры).
Мы рады сообщить о важном событии! На прошлой неделе мы имели большое удовольствие принять делегацию из Турции для комплексной проверки наших предприятий в Ханчжоу. Команда изучила наши производственные линии, системы контроля качества и возможности исследований и разработок. Мы продемонстрировали не только наше оборудование, но и нашу приверженность совершенству, прозрачности и партнерству. Результат? Немедленное доверие и заказ на месте! Эта подпись во время визита — это больше, чем просто контракт — это мощное свидетельство качества, профессионализма и доверия, которые мы строим с каждым клиентом. Мы польщены таким проявлением доверия и рады вместе отправиться в это новое путешествие. За крепкое и успешное партнерство!